
HEAVY-DUTY VARIABLE SPEED
REVERSIBLE HAMMER DRILL
1992EE-B
Owner’s Manual
Item 56404
Visit our website at: http://www.harborfreight.com
Email our technical support at: [email protected]
Owner’s Manual and Safety Instructions
Save This Manual Keep this manual for the safety warnings and precautions, assembly, operating, inspection, maintenance, and cleaning procedures. Write the product’s serial number in the back of the manual near the assembly diagram (or month and year of purchase if the product has no number).
Keep this manual and the receipt in a safe and dry place for future reference.
Copyright© 2021 by Harbor Freight Tools®. All rights reserved.
No portion of this manual or any artwork contained herein may be reproduced in any shape or form without the express written consent of Harbor Freight Tools.
Diagrams within this manual may not be drawn proportionally. Due to continuing improvements, the actual product may differ slightly from the product described herein.
Tools required for assembly and service may not be included.
WARNING
Read this material before using this product. Failure to do so can result in serious injury.
SAVE THIS MANUAL.
WARNING SYMBOLS AND DEFINITIONS
| WARNING SYMBOLS AND DEFINITIONS | |
![]() |
This is the safety alert symbol. It is used to alert you to potential personal injury hazards. Obey all safety messages that follow this symbol to avoid possible injury or death. |
DANGER |
Indicates a hazardous situation that, if not avoided, will result in death or serious injury. |
WARNING |
Indicates a hazardous situation that, if not avoided, could result in death or serious injury. |
CAUTION |
Indicates a hazardous situation that, if not avoided, could result in minor or moderate injury. |
| NOTICE CAUTION |
Addresses practices not related to personal injury. |
IMPORTANT SAFETY INFORMATION
Read all safety warnings, instructions, illustrations, and specifications provided with this power tool.
Failure to follow all instructions listed below may result in electric shock, fire, and/or serious injury.
Save all warnings and instructions for future reference.
The term “power tool” in the warnings refers to your mains-operated (corded) power tool or battery-operated (cordless) power tool.
- Work area safety
a. Keep the work area clean and well-lit.
Cluttered or dark areas invite accidents.
b. Do not operate power tools in explosive atmospheres, such as in the presence of flammable liquids, gases or dust. Power tools create sparks that may ignite dust or fumes.
c. Keep children and bystanders away while operating a power tool. Distractions can cause you to lose control. - Electrical safety
a. Power tool plugs must match the outlet. Never modify the plug in any way. Do not use any adapter plugs with earthed (grounded) power tools. Unmodified plugs and matching outlets will reduce the risk of electric shock.
b. Avoid body contact with earthed or grounded surfaces, such as pipes, radiators, ranges, and refrigerators. There is an increased risk of electric shock if your body is earthed or grounded.
c. Do not expose power tools to rain or wet conditions. Water entering a power tool will increase the risk of electric shock.
d. Do not abuse the cord. Never use the cord for carrying, pulling, or unplugging the power tool. Keep cord away from heat, oil, sharp edges, or moving parts. Damaged or entangled cords increase the risk of electric shock.
e. When operating a power tool outdoors, use an extension cord suitable for outdoor use. The use of a cord suitable for outdoor use reduces the risk of electric shock.
f. If operating a power tool in a damp location is unavoidable, use a ground fault circuit interrupter (GFCI) protected supply. The use of a GFCI reduces the risk of electric shock. - Personal safety
a. Stay alert, watch what you are doing, and use common sense when operating a power tool. Do not use a power tool while you are tired or under the influence of drugs, alcohol, or medication. A moment of inattention while operating power tools may result in serious personal injury.
b. Use personal protective equipment. Always wear eye protection. Protective equipment such as dust masks, non-skid safety shoes, hard hat, or hearing protection used for appropriate conditions will reduce personal injuries.
c. Prevent unintentional starting. Ensure the switch is in the off-position before connecting to a power source and/or battery pack, picking up or carrying the tool. Carrying power tools with your finger on the switch or energizing power tools that have the switch on invites accidents.
d. Remove any adjusting key or wrench before turning the power tool on. A wrench or a key left attached to a rotating part of the power tool may result in personal injury. e. Do not overreach. Keep proper footing and balance at all times. This enables better control of the power tool in unexpected situations.
f. Dress properly. Do not wear loose clothing or jewelry. Keep your hair, clothing, and gloves away from moving parts. Loose clothes, jewelry or long hair can be caught in moving parts.
g. If devices are provided for the connection of dust extraction and collection facilities, ensure these are connected and properly used. The use of dust collection can reduce dust-related hazards.
h. Do not let familiarity gained from frequent use of tools allow you to become complacent and ignore tool safety principles. A careless action can cause severe injury within a fraction of a second.
i. Only use safety equipment that has been approved by an appropriate standards agency. Unapproved safety equipment may not provide adequate protection. Eye protection must be ANSI-approved and breathing protection must be NIOSH-approved for the specific hazards in the work area.
j. Avoid unintentional starting. Prepare to begin work before turning on the tool.
k. Do not lay the tool down until it has come to a complete stop. Moving parts can grab the surface and pull the tool out of your control.
l. When using a handheld power tool, maintain a firm grip on the tool with both hands to resist starting torque.
m. Do not leave the tool unattended when it is plugged into an electrical outlet. Turn off the tool, and unplug it from its electrical outlet before leaving.
n. This product is not a toy. Keep it out of reach of children.
o. People with pacemakers should consult their physician(s) before use. Electromagnetic fields in close proximity to the heart pacemakers could cause pacemaker interference or pacemaker failure. In addition, people with pacemakers should:
• Avoid operating alone.
• Do not use with Trigger locked on.
• Properly maintain and inspect to avoid electrical shock.
• Properly ground power cord.
Ground Fault Circuit Interrupter (GFCI) should also be implemented – it prevents sustained electrical shock.
p. The warnings, precautions, and instructions discussed in this instruction manual cannot cover all possible conditions and situations that may occur. It must be understood by the operator that common sense and caution are factors that cannot be built into this product but must be supplied by the operator. - Power tool use and care
a. Do not force the power tool. Use the correct power tool for your application. The correct power tool will do the job better and safer at the rate for which it was designed.
b. Do not use the power tool if the switch does not turn it on and off. Any power tool that cannot be controlled with the switch is dangerous and must be repaired.
c. Disconnect the plug from the power source and/or remove the battery pack, if detachable, from the power tool before making any adjustments, changing accessories, or storing power tools. Such preventive safety measures reduce the risk of starting the power tool accidentally.
d. Store idle power tools out of the reach of children and do not allow persons unfamiliar with the power tool or these instructions to operate the power tool. Power tools are dangerous in the hands of untrained users.
e. Maintain power tools and accessories. Check for misalignment or binding of moving parts, breakage of parts, and any other condition that may affect the power tool’s operation. If damaged, have the power tool repaired before use. Many accidents are caused by poorly maintained power tools.
f. Keep cutting tools sharp and clean. Properly maintained cutting tools with sharp cutting edges are less likely to bind and are easier to control.
g. Use the power tool, accessories and tool bits, etc. in accordance with these instructions, taking into account the working conditions and the work to be performed. Use of the power tool for operations different from those intended could result in a hazardous situation.
h. Keep handles and grasping surfaces dry, clean, and free from oil and grease. Slippery handles and grasping surfaces do not allow for safe handling and control of the tool in unexpected situations. - Service
a. Have your power tool serviced by a qualified repair person using only identical replacement parts. This will ensure that the safety of the power tool is maintained.
b. Maintain labels and nameplates on the tool. These carry important safety information. If unreadable or missing, contact Harbor Freight Tools for a replacement. - Safety instructions for all operations
a. Wear ear protectors when impact drilling.
Exposure to noise can cause hearing loss. - Use the auxiliary handle(s). Loss of control can cause personal injury.
a. Brace thoperly beforee tool pr use. This tool produces a high output torque and without properly bracing the tool during operation, loss of control may occur resulting in personal injury.
b. Hold the power tool by insulated gripping surfaces when performing an operation where the cutting accessory or fasteners may contact hidden wiring or its own cord. Cutting accessory contacting a “live” wire may make exposed metal parts of the power tool “live” and could give the operator an electric shock.
c. Let a bit cool before touching, changing, or adjusting it. Bits heat up dramatically while in use, and can burn you.
d. If the drill bit jams, release the Trigger immediately; drill torque can cause injury or break bit. - Safety Instructions when using long drill bits
a. Never operate at a higher speed than the maximum speed rating of the drill bit. At higher speeds, the bit is likely to bend if allowed to rotate freely without contacting the workpiece, resulting in personal injury.
b. Always start drilling at low speed and with the bit tip in contact with the workpiece. At higher speeds, the bit is likely to bend if allowed to rotate freely without contacting the workpiece, resulting in personal injury.
c. Apply pressure only in direct line with the bit and do not apply excessive pressure. Bits can bend causing breakage or loss of control, resulting in personal injury. - Silicosis Safety Measures
Masonry drilling on materials such as concrete (which contains crystalline silica) can cause silicosis (a serious lung disease), cancer and death. To reduce crystalline silica exposures in the workplace and prevent silicosis and silicosis-related deaths:
a. Conduct air monitoring to measure worker exposures.
b. Use containment methods to control the hazard and protect adjacent workers from exposure.
c. Practice good personal hygiene to avoid unnecessary exposure to silica dust.
d. Wear washable or disposable protective clothes at the worksite. Shower and change into clean clothes before leaving the worksite to prevent contamination of cars, homes, and other work areas. Avoid skin exposure.
e. Always wear a NIOSH-approved respirator and safety goggles. Ventilate the work area properly.
f. Provide periodic medical examinations for all workers who may be exposed to crystalline silica.
g. Post signs to warn workers about the hazard and to inform them about required protective equipment.
h. Provide workers with training that includes information about health effects, work practices, and protective equipment for crystalline silica.
i. Report all cases of silicosis to State health departments and to OSHA or the Mine Safety and Health Administration (MSHA). Vibration Safety - This tool vibrates during use.
Repeated or long-term exposure to vibration may cause temporary or permanent physical injury, particularly to the hands, arms and shoulders.
To reduce the risk of vibration-related injury:
a. Anyone using vibrating tools regularly or for an extended period should first be examined by a doctor and then have regular medical check-ups to ensure medical problems are not being caused or worsened from use. Pregnant women or people who have impaired blood circulation to the hand, past hand injuries, nervous system disorders, diabetes, or Raynaud’s Disease should not use this tool. If you feel any symptoms related to vibration (such as tingling, numbness, and white or blue fingers), seek medical advice as soon as possible.
b. Do not smoke during use. Nicotine reduces the blood supply to the hands and fingers, increasing the risk of vibration-related injury.
c. Wear suitable gloves to reduce the vibration effects on the user.
d. Use tools with the lowest vibration when there is a choice.
e. Include vibration-free periods each day of work.
f. Grip tool as lightly as possible (while still keeping safe control of it). Let the tool do the work.
g. To reduce vibration, maintain the tool as explained in this manual. If any abnormal vibration occurs, stop use immediately.
Grounding
WARNING
TO PREVENT ELECTRIC SHOCK AND DEATH FROM
INCORRECT GROUNDING WIRE CONNECTION:
Check with a qualified electrician if you are in doubt as to whether the outlet is properly grounded. Do not modify the power cord plug provided with the tool. Never remove the grounding prong from the plug. Do not use the tool if the power cord or plug is damaged. If damaged, have it repaired by a service facility before use. If the plug will not fit the outlet, have a proper outlet installed by a qualified electrician.
Grounded Tools: Tools with Three Prong Plugs

- Tools marked with “Grounding Required” have a three-wire cord and three-prong grounding plug. The plug must be connected to a properly grounded outlet. If the tool should electrically malfunction or break down, grounding provides a low resistance path to carry electricity away from the user, reducing the risk of electric shock. (See 3-Prong Plug and Outlet.)
- The grounding prong in the plug is connected through the green wire inside the cord to the grounding system in the tool. The green wire in the cord must be the only wire connected to the tool’s grounding system and must never be attached to an electrically “live” terminal. (See 3-Prong Plug and Outlet.)
- The tool must be plugged into an appropriate outlet, properly installed, and grounded in accordance with all codes and ordinances. The plug and outlet should look like those in the preceding illustration. (See 3-Prong Plug and Outlet.)
Double Insulated Tools: Tools with Two Prong Plugs

- Tools marked “Double Insulated” do not require grounding. They have a special double insulation system that satisfies OSHA requirements and complies with the applicable standards of Underwriters Laboratories, Inc., the Canadian Standard Association, and the National Electrical Code.
- Double insulated tools may be used in either of the 120-volt outlets shown in the preceding illustration. (See Outlets for 2-Prong Plug.)
Extension Cords
- Grounded tools require a three-wire extension cord.
Double Insulated tools can use either a two or three-wire extension cord. - As the distance from the supply outlet increases, you must use a heavier gauge extension cord. Using extension cords with inadequately sized wire causes a serious drop in voltage, resulting in loss of power and possible tool damage. (See Table A.)
- The smaller the gauge number of the wire, the greater the capacity of the cord. For example, a 14 gauge cord can carry a higher current than a 16 gauge cord. (See Table A.)
- When using more than one extension cord to make up the total length, make sure each cord contains at least the minimum wire size required. (See Table A.)
- If you are using one extension cord for more than one tool, add the nameplate amperes and use the sum to determine the required minimum cord size. (See Table A.)
- If you are using an extension cord outdoors, make sure it is marked with the suffix “W-A” (“W” in Canada) to indicate it is acceptable for outdoor use.
- Make sure the extension cord is properly wired and in good electrical condition. Always replace a damaged extension cord or have it repaired by a qualified electrician before using it.
- Protect the extension cords from sharp objects, excessive heat, and damp or wet areas.
| TABLE A: RECOMMENDED MINIMUM WIRE GAUGE FOR EXTENSION CORDS* (120/240 VOLT) | |||||
| NAMEPLATE AMPERES (at full load) | EXTENSION CORD LENGTH | ||||
| 25′ | 50′ | 75′ | 100′ | 150′ | |
| 0 — 2.0 | 18 | 18 | 18 | 18 | 16 |
| 2.1 — 3.4 | 18 | 18 | 18 | 16 | 14 |
| 3.5 — 5.0 | 18 | 18 | 16 | 14 | 12 |
| 5.1 — 7.0 | 18 | 16 | 14 | 12 | 12 |
| 7.1 — 12.0 | 18 | 14 | 12 | 10 | – |
| 12.1 — 16.0 | 14 | 12 | 10 | – | – |
| 16.1 — 20.0 | 12 | 10 | – | – | – |
| * Based on limiting the line voltage drop to five volts at 150% of the rated amperes. | |||||
Symbology
| Double Insulated | |
| Volts | |
| Alternating Current | |
| Amperes | |
| n0 xxxx/min. | No Load Revolutions per Minute (RPM) |
| WARNING marking concerning Risk of Eye Injury. Wear ANSI-approved safety goggles with side shields. | |
| Read the manual before set-up and/or use. | |
| WARNING marking concerning Risk of Fire. Do not cover ventilation ducts. Keep flammable objects away. | |
![]() |
WARNING marking concerning Risk of Electric Shock. Properly connect the power cord to an appropriate outlet. |
| WARNING marking concerning Risk of Hearing Loss. Wear hearing protection. |
Specifications
| Electrical Rating | 120VAC / 60Hz / 7.5A |
| Rotational Speed | 0-2800 RPM |
| Impact Rate | 0-45,000 BPM |
| Chuck Capacity | up to 1/2″ |
| Wood Capacity | 1″ (25mm) |
| Concrete Capacity | 5/8″ (16mm) |
| Steel Capacity | 1/2″ (13mm) |
Setup – Before Use:
Read the ENTIRE IMPORTANT SAFETY INFORMATION section at the beginning of this manual including all text under subheadings therein before set up or use of this product.
Note: For additional information regarding the parts listed in the following pages, refer to Parts List and Diagram on page 14.
Functions

Operating Instructions
Read the ENTIRE IMPORTANT SAFETY INFORMATION section at the beginning of this manual including all text under subheadings therein before set up or use of this product.
Setting and Testing
WARNING
TO PREVENT SERIOUS INJURY FROM ACCIDENTAL OPERATION: Make sure that the Trigger is in the off position and unplug the tool from its electrical outlet before performing any procedure in this section.
Drill Bit Installation
CAUTION! Wear heavy-duty work gloves to provide protection when inserting and removing drill bits. Drill bits become very hot during use.
Do not remove drill bits until the bit has cooled.
- While holding the ring behind the collar of the Chuck with one hand, rotate the collar of the Chuck counterclockwise until the jaws of the drill are opened enough to fit the drill bit. If the collar is tight, use the key to loosen the chuck.
- Use a drill bit designed for the workpiece type.
Place the desired drill bit or screwdriver bit into the drill between the Chuck Jaws.
Note: In addition to single or double-ended screwdriver bits, adapters with hex or Hexal shafts with matching socket heads can also be used. - Hand tightens the Chuck until the bit is held securely in place, centered between the Chuck Jaws.
- Insert the tip of the Chuck Key into a hole on the side of the Chuck so that the teeth on the Key engage the gear on the Chuck. Use the Key to tighten the Chuck securely and remove the Key.
Side Handle Setup
- Loosen the grip on the Side Handle and slide Side Handle clamp over and behind the Chuck until it is set against the housing.
- Rotate the Side Handle until it is in the desired orientation. If you are righthanded, position the Side Handle so it extends from the left of the housing.
- Rotate Side Handle clockwise to secure the clamp.
Installing and Adjusting Depth Gauge
The Depth Gauge is installed on the Side Handle and is used as a guide when drilling holes to a specific depth.
- Insert bit and tighten Chuck.
- Loosen the Side Handle and slide the Depth Gauge through the gauge hole in the Auxiliary Handle.
- Place the tip of the bit against a solid surface and extend the Depth Gauge until it is against the same surface. Determine required hole depth.
- Retract Depth Gauge to the depth required. Once positioned, tighten the Side Handle to secure Depth Gauge in place.
Note: The Drilling depth is the distance from the tip of the drill bit to the tip of the Depth Gauge.

Mode Selection
Use the Mode Selection switch to select between plain drilling and hammer drilling modes.
- Set for plain drilling by sliding the switch to the right, towards the “drill” symbol.
- Set for hammer drilling by sliding the switch to the left, towards the “hammer” symbol.
Workpiece and Work Area Set Up
- Designate a work area that is clean and well lit. The work area must not allow access by children or pets to prevent distraction and injury.
- Route the power cord along a safe route to reach the work area without creating a tripping hazard or exposing the power cord to possible damage. The power cord must reach the work area with enough extra length to allow free movement while working.
- Secure loose workpieces using a vise or clamps (not included) to prevent movement while working.
- There must not be objects, such as utility lines, nearby that will present a hazard while working.
General Instructions for Use
- Make sure that the Trigger is in the off position, then plug in the tool.
- Set Direction Switch to the desired position.
• For clockwise (forward) rotation, push it to the left, next to the forward-pointing arrow.
• For counterclockwise (reverse) rotation, push it to the right, next to the backward-pointing arrow. - CAUTION! Most drill bits are designed for use in the forward, clockwise direction. Do not use a drill bit in the opposite direction than it is designed for.
NOTICE: Do not change mode selection while Chuck is rotating.
CAUTION! Use this continuous drill function ONLY when drilling soft materials.
Do not drill or hammer drill hard materials such as steel or concrete with Lock Button pressed (ON). If the drill bit catches on material, the high torque will cause the tool to twist around without stopping.
WARNING! TO PREVENT SERIOUSLY
INJURY: Use both hands during use. - To prevent accidents, turn off the tool and unplug it after use. Clean, then store the tool indoors out of children’s reach.
Metal Drilling Tips
- Use high-speed steel, carbide, or specialty bits for metal drilling.
- The secure workpiece keeps it from moving during the drilling operation.
- Use a center punch (not included) to create a dimple for the bit to start.
- Start by drilling slowly to keep the bit from wandering/skating away from your starting point.
- As the hole is established, increase speed. Do not use so much pressure that bit heats up.
This can damage bits and create an irregular holes. For hard metal, use cutting oil to keep the bit cool. - When drilling large holes in metal, start by drilling a smaller pilot hole, then using a larger bit for the final size hole.
Wood Drilling Tips
- Use high-speed bits or bits specially designed for wood drilling, such as brad point, spade bits, Forstner bits, etc.
- The secure workpiece keeps it from moving during the drilling operation.
- Start by drilling slowly to keep the bit from wandering away from starting point. Increase speed as the hole is established.
- To prevent or reduce “break out” when bit penetrates workpiece, clamp a piece of scrap material to the back of work piece.
- Do not lock Trigger in the ON position, as the bit can easily jam in wood and the motor must be stopped quickly.
Masonry Drilling Operation
- Adjust the Auxiliary Handle as needed.
- Set the Function to “Hammer” by sliding Mode Switch to the left, towards the hammer symbol.
- Plug in the Power Cord.
- Squeeze and hold the Trigger to turn on the Rotary Hammer.
- Do not apply excessive force, allow the tool to do the work.
Concrete Drilling Tips:
- Do not add water to the drill hole.
- Clean the bit flutes regularly while drilling.
- Back the bit out of the hole often during drilling, especially when drilling deep holes.
- Grease the bit shank and bit holder and keep the shank end of the bit dust and debris free.
- Use the shortest bit practical.
- When drilling deep holes, work in stages, use a short bit for the beginning of the hole, then change to a longer bit.
Maintenance and Servicing Instructions
Procedures not specifically explained in this manual must be performed only by a qualified technician.
WARNING
TO PREVENT SERIOUS INJURY FROM ACCIDENTAL OPERATION: Make sure that the Trigger is in the off position and unplug the tool from its electrical outlet before performing any procedure in this section.
TO PREVENT SERIOUS INJURY FROM TOOL FAILURE: Do not use damaged equipment. If abnormal noise or vibration occurs, have the problem corrected before further use.
Cleaning, Maintenance, and Lubrication
- BEFORE EACH USE, inspect the general condition of the tool. Check for:
• loose hardware,
• misalignment or binding of moving parts,
• damaged cord/electrical wiring,
• cracked or broken parts, and
• any other condition that may affect its safe operation. - AFTER USE, wipe external surfaces of the tool with clean cloth.
- PERIODICALLY, and after each prolonged and extensive application, blow compressed air over the motor housing slots to remove any accumulated dirt and debris.
WARNING! If the plug or the supply cord of this power tool is damaged, it must be replaced only by a qualified service technician.
Troubleshooting
| Problem | Possible Causes | Likely Solutions |
| The tool will not start. | 1. Cord not connected. 2.No power at outlet. 3. Tool’s thermal reset breaker tripped (if equipped). 4. Internal damage or wear. (Carbon brushes or Trigger, for example.) |
1. Check that cord is plugged in. 2. Check power at outlet. If the outlet is unpowered, turn off the tool and check the circuit breaker. If the breaker is tripped, make sure the circuit is the right capacity for the tool and the circuit has no other loads. 3. Turn off the tool and allow it to cool. Press the reset button on the tool. 4. Have a technician service tool. |
| The tool operates slowly. | Extension cord too long or cord diameter too small. | Eliminate the use of extension cords. If an extension cord is needed, use one with the proper diameter for its length and load. See Extension Cords in the section on page 5. |
| Performance decreases over time. | 1. Accessory dull or damaged. 2. Carbon brushes worn or damaged. |
1. Keep cutting accessories sharp. Replace as needed. 2. Have qualified technicians replace brushes. |
| Excessive noise or rattling. | Internal damage or wear. (Carbon brushes or bearings, for example.) |
Have technician service tool. |
| Overheating. | 1. Forcing tools to work too fast. 2. Accessory misaligned. 3. Accessory dull or damaged. 4. Blocked motor housing vents. 5. Motor being strained by a long or small diameter extension cord. |
1. Allow the tool to work at its own rate. 2. Check and correct accessory alignment. 3. Keep cutting accessories sharp. Replace as needed. 4. Wear ANSI-approved safety goggles and NIOSH-approved dust mask/respirator while blowing dust out of motor using compressed air. 5. Eliminate the use of extension cords. If an extension cord is needed, use one with the proper diameter for its length and load. See Extension Cords in the section on page 5. |
Follow all safety precautions whenever diagnosing or servicing the tool. Disconnect power supply before service. |
||
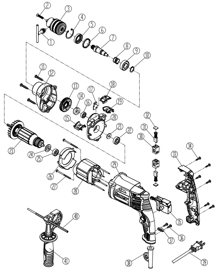
Parts List and Diagram
PLEASE READ THE FOLLOWING CAREFULLY
THE MANUFACTURER AND/OR DISTRIBUTOR HAS PROVIDED THE PARTS LIST AND ASSEMBLY DIAGRAM IN THIS MANUAL AS A REFERENCE TOOL ONLY. NEITHER THE MANUFACTURER NOR DISTRIBUTOR MAKES ANY REPRESENTATION OR WARRANTY OF ANY KIND TO THE BUYER THAT HE OR SHE IS QUALIFIED TO MAKE ANY REPAIRS TO THE PRODUCT, OR THAT HE OR SHE IS QUALIFIED TO REPLACE ANY PARTS OF THE PRODUCT. IN FACT, THE MANUFACTURER AND/OR DISTRIBUTOR EXPRESSLY STATES THAT ALL REPAIRS AND PARTS REPLACEMENTS SHOULD BE UNDERTAKEN BY CERTIFIED AND LICENSED TECHNICIANS, AND NOT BY THE BUYER. THE BUYER ASSUMES ALL RISK AND LIABILITY ARISING OUT OF HIS OR HER REPAIRS TO THE ORIGINAL PRODUCT OR REPLACEMENT PARTS THERETO OR ARISING OUT OF HIS OR HER INSTALLATION OF REPLACEMENT PARTS THERETO.
Parts List
| Part | Description | Qty |
| 1 | Chuck Key | 1 |
| 2 | Screw M5*25-Left | 1 |
| 3 | Chuck | 1 |
| 4 | Circlip Ø32 | 1 |
| 5 | Oil Seal Ø19xØ32×7 | 1 |
| 6 | Spacer | 1 |
| 7 | Output Shaft | 1 |
| 8 | Impact Spring | 1 |
| 9 | Bearing 6002 | 1 |
| 10 | Circlip Ø15 | 1 |
| 11 | Screw T4.8×30 | 3 |
| 12 | Gear House | 1 |
| 13 | Gear | 1 |
| 14 | Static Shock Gear | 1 |
| 15 | Impact Knob Holder-L | 1 |
| 16 | Bearing 607 | 1 |
| 17 | Impact Plate | 1 |
| 18 | Mode Switch | 1 |
| 19 | Impact Knob Holder-R | 1 |
| 20 | Middle Cover | 1 |
| 21 | Rubber Washer Ø7.5xØ19×2 | 1 |
| 22 | Bearing 609 | 1 |
| 23 | Rotor | 1 |
| 24 | Dust Seal | 1 |
| 25 | Bearing 627 | 1 |
| 26 | Windshield | 1 |
| 27 | Screw T4x60 | 2 |
| 28 | Stator | 1 |
| 29 | House | 1 |
| 30 | Brush Holder | 2 |
| 31 | Carbon Brush | 2 |
| 32 | Brush Cover | 2 |
| 33 | Handle Cover | 1 |
| 34 | Screw T4x16 | 6 |
| 35 | Trigger | 1 |
| 36 | Screw T4x14 | 2 |
| 37 | Cable Hold-Down Plate | 1 |
| 38 | Cable Sleeve | 1 |
| 39 | Cable | 1 |
| 40 | Depth Gauge | 1 |
| 41 | Auxiliary Handle | 1 |
Record Product’s Serial Number Here:
Note: If the product has no serial number, record the month and year of purchase instead.
Note: Some parts are listed and shown for illustration purposes only, and are not available individually as replacement parts. Specify UPC 193175369734 when ordering parts.
Assembly Diagram

Limited 90 Day Warranty
Harbor Freight Tools Co. makes every effort to assure that its products meet high quality and durability standards, and warrants to the original purchaser that this product is free from defects in materials and workmanship for the period of 90 days from the date of purchase. This warranty does not apply to damage due directly or indirectly, to misuse, abuse, negligence or accidents, repairs or alterations outside our facilities, criminal activity, improper installation, normal wear, and tear, or to lack of maintenance. We shall in no event be liable for death, injuries to persons or property, or for incidental, contingent, special or consequential damages arising from the use of our product. Some states do not allow the exclusion or limitation of incidental or consequential damages, so the above limitation or exclusion may not apply to you. THIS WARRANTY IS EXPRESSLY IN LIEU OF ALL OTHER WARRANTIES, EXPRESS OR IMPLIED, INCLUDING THE WARRANTIES OF MERCHANTABILITY AND FITNESS.
To take advantage of this warranty, the product or part must be returned to us with transportation charges prepaid. Proof of purchase date and an explanation of the complaint must accompany the merchandise. If our inspection verifies the defect, we will either repair or replace the product at our election or we may elect to refund the purchase price if we cannot readily and quickly provide you with a replacement. We will return repaired products at our expense, but if we determine there is no defect, or that the defect resulted from causes not within the scope of our warranty, then you must bear the cost of returning the product. This warranty gives you specific legal rights and you may also have other rights which vary from state to state.


Follow all safety precautions whenever diagnosing or servicing the tool. Disconnect power supply before service.

