American Standard Elevate 60×30 Curved Tub Owner’s Manual

THE BEST BATH OR SHOWER EXPERIENCE?
Thank you for buying an American Standard bath or shower product.
We’re so grateful you did, and you will be too. Not just while you’re waking up each morning, but also every time a dirty gardener, sweaty soccer player, or muddy dog gets cleaned up. How do we know? Just like you, we’ve lived with that same beautiful chaos called life for almost 150 years. We believe that while every home should appreciate in value, we never forget the sentimental value that grows from enjoying life in the heart of home— your kitchen and bath. That’s why we love your stories and ideas; they help us innovate with products that make your life easier.
Or, visit americanstandard-us.com/bathroom/bathtubs to watch video, view/download installation manuals or learn more about your product.
Have a question or need help on install?
For questions or help on installation call us at 800 442-1902.
For a copy of our warranty in additional languages,
please visit Americanstandard.com
OWNERS MANUAL
ElevateTM 60×30 Curved Tub
Models RHO 2576102 / LHO 2576202
INSTALLATION INSTRUCTIONS
Thank you for selecting American Standard – the benchmark of fine quality for over 150 years. To ensure this product is installed properly, please read these instructions carefully before you begin. Certain installations may require professional help.
INSTALLATION PREPARATION
• Please unpack carefully and identify all parts needed for installation by using the Box Contents page as a reference. Inspect the product and report any damages or missing parts immediately to customer care by calling 800-442-1902. Follow the prompts for consumer/bathing. Local building codes vary by ocation.
Observe all local plumbing and building codes.
NOTE: Take extra care in handling the front surfaces of the walls. Use only non-abrasive cloths to avoid scratching.
- The Elevate Tub dimensions are nominal and meant for a standard 60″ x 30″ alcove. Due to the curved design, depths up to 36″ may also be used. Please measure your alcove to determine if the Elevate tub will work in your alcove prior to installation.
- Ensure adequate wall support is provided to area where tub is to be installed.
- Tub and wall material must be installed prior to the door installation.
- Wear protective equipment during installation to avoid injury.
- Please keep these instructions for after care and customer service details.
BOX CONTENTS
- Metal Clips x4

- Metal Clips x4

RECOMMENDED TOOLS AND MATERIALS
Installation steps will indicate which tools should be used with asscociated letter
- Level

- Tape Measure

- Square

- Screwdriver

- Pipe Wrench

- Caulking Gun

- Slip Joint Pliers

- Personal Safety Equipment

- Standard Woodworking Tools
- MATERIALS Exterior Rated Screws Plumber’s Putty Drop Cloth OPTIONAL: Mortar Mix
BEFORE YOU BEGIN

INSTALLATION INSTRUCTIONS
IMPORTANT GENERAL INFORMATION
This unit is best installed by two people. Cover drain with tape prior to installation to prevent the loss of small parts. Unpack your unit carefully and inspect for freight damage. Lay out and identify all parts using Box Contents as a reference. Before discarding the carton check to see that no small hardware parts have fallen to the bottom of the box. If any parts are damaged or missing refer to the description noted in the instructions when inquiring about replacements.
When installing coordinating bath walls, additional studs may be required. Refer to those installation instructions prior to installing tub. Take extra care when driving nails or screws to avoid damaging the tub.
FRAMING INSTRUCTIONS


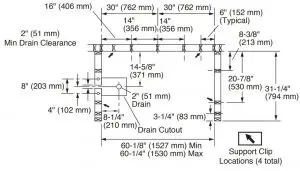
- Locate studs as required. Ensure roughing-in dimensions are proper, plumb, and square (Fig. 1). It is strongly recommended that an additional opening be provided for access to the drain components.
- Install drain components to the bath following the manufacturer’s instructions. See the roughing-in drawing for suggested opening size and location dimensions in specification page.
TUB INSTALLATION




SUGGESTED BATH INSTALLATION METHOD

SECURE THE BATH TO THE STUDS AS SHOWN FOR WOOD OR STEEL STUD CONSTRUCTION.
- Make sure the apron brackets are securely attached. (Figure 1)
- Place tub into studded alcove. (Figure 2)
- Check level front to back and side to side, shim as necessary (Figure 3). NOTE: Ensure the feet of the tub are touching the floor. Shim as necessary or use optional mortar to level. To secure the tub to wood studs, attach metal flange clips (Figure 2) to corners of tub as illustrated and secure clips to the studs.
- Bend the tabs of the metal clip over tub flange to secure tub (Figure 2).
- Add plastic clips to tub flange at all remaining stud locations to anchor tub to alcove. (Figure 4)
- Any finish material such as tile or wallboard must be self-supporting if it contacts the deck of the bath. Flooring will be butted against the bottom of the tub apron, also holding the tub in place.
POST INSTALLATION CLEAN-UP
Remove all construction debris. Install any accessories, shelves or doors according to manufacturer’s installation instructions. Post installation clean-up generally can be completed using warm water and liquid dishwashing detergent.
Stubborn dirt or stains may be removed using granular Spic and Span® mixed with water. Painter’s naphtha can be used to remove excess adhesives and/or wet oil-base paint.
AFTERCARE AND CLEANING
Always fill the tub with temperate water. Excessively hot water may cause surface damage. Clean after use with a mild liquid household detergent cleaner. Abrasive cleaners such as Lestoil®, Lysol® Disinfectant (spray or concentrate), or Lysol® Basin, Tub and Tile Cleaner, Windex®, Mr. Clean®, Dow® Disinfectant Bathroom Cleaner, or cleaning products in aerosol cans should not be used.
DO NOT USE HARSH CHEMICALS ON TUB SURFACE
Do not use wire brushes, knives or sharp objects to remove stains, cigarette tar deposits, or other surface blemishes. Abrasive cleaners or powders must not be used, since they will dull the surface. Do not wax areas where you walk or stand.
Do not allow nail polish remover, acetone, dry cleaning fluid, paint remover or other solvents to come into contact with the surface. Clean the surrounding surface immediately after using caustic drain cleaners. Burning cigarettes will damage the surface. Should damage to the fixture occur, repairs can be made quickly and easily. Your distributor or builder can provide details.
SPIC AND SPAN® is a registered trademark of The Spic And Span Company
LESTOIL® is a registered trademark of the Clorox Company
LYSOL® is a registered trademark of Reckitt Benckiser
WINDEX® is a registered trademark of S.C. Johnson & Son, Inc
MR. CLEAN® is a registered trademark of Agile Pursuits Franchising, Inc.
DOW® is a registered trademark of Dow Chemical Company
WARRANTY
AS AMERICA, INC. 10 YEAR WARRANTY FOR SHOWER BASES AND BATHTUBS
Residential Warranty: AS America, Inc. (“American Standard”) warrants this product against defects in materials and workmanship under normal residential use for TEN (10) years by the original consumer-purchaser commencing from the date of purchase. Commercial Warranty: American Standard warrants this product against defects in materials and workmanship under normal commercial use for THREE (3) years by the original business-purchaser commencing from the date of purchase.
Non-Transferrable: This warranty is provided for the exclusive benefit of the original consumer-purchaser or business-purchaser. This warranty is non-transferable, including, but not limited, to any subsequent purchasers or owners. The sole exception to the non-transferability of this warranty is for products purchased by a plumber, contractor or similar service provider, in which case this warranty extends to the first residential or commercial property owner on whose behalf the product was purchased for installation.
Geographic Limitation: This warranty applies only to products installed in the United States of America, Canada or Mexico
Option to Repair or Replace: If a defect arises and a valid claim is received during the warranty period, American Standard will, at its option, either repair or replace the defective product free of charge. The decision whether to repair or replace is determined by American Standard in its sole discretion. Proof of purchase (original sales receipt) must be provided to American Standard with all warranty claims. This warranty only applies to American Standard StruXure™ tubs. Unless otherwise specified, all other American Standard options and
accessories are covered by the AS AMERICA, INC. ONE YEAR LIMITED WARRANTY, which warrants against defects in material and workmanship for one (1) year from the date of first purchase.
EXCLUSIONS AND LIMITATIONS
- This warranty only applies to products purchased after April 1, 2021.
- This warranty only applies to products purchased through an authorized American Standard dealer or re-seller.
- This warranty does not apply to defects or damage caused by non-genuine American Standard parts, installation error, product abuse, product misuse, improper maintenance, improper care or cleaning, improper repair or installation, and/or movement or transfer of the product from its original installation location (whether performed by the owner, a plumber, a contractor, a service company, or anyone else). Because improper care and cleaning can cause significant damage to the product, it is strongly recommended that you follow the Care and Cleaning Instructions (as well as all other instructions) that accompanied the product.
- American Standard is not responsible for labor charges and/or damage incurred during installation, repair or replacement. In no event will American Standard be liable for the cost of repair or replacement of any installation materials, including, but not limited to, tile or marble.
- This warranty does not apply to deterioration through normal wear and tear and the expense of normal maintenance.
- American Standard does not warrant that this product and/or its installation complies with local code requirements. American Standard recommends that you consult with a plumbing contractor about local code requirements.
TO THE EXTENT PERMITTED BY LAW, THIS WARRANTY IS EXCLUSIVE AND IN LIEU OF ALL OTHER WARRANTIES, WHETHER ORAL OR WRITTEN, STATUTORY, EXPRESS OR IMPLIED. AMERICAN STANDARD HEREBY EXCLUDES SPECIAL, INCIDENTAL AND CONSEQUENTIAL DAMAGES FOR ANY BREACH OF ANY EXPRESS OR IMPLIED WARRANTY APPLICABLE TO THIS PRODUCT.
Some states do not allow the exclusion or limitation of incidental or consequential damages, so the above limitations and exclusions may not
apply to you. This warranty gives you specific legal rights, and you may also have other rights which vary from state to state (or province, as applicable).
OBTAINING WARRANTY SERVICE
If you believe that you have a warranty claim, contact American Standard, either through an authorized AS America, Inc. dealer or re-seller, by writing to the addresses below, or visiting the website below:
UNITED STATES
American Standard Brands 30 Knightsbridge Road, Suite 301 Piscataway, New Jersey 08854 Attention: Director of Customer Care For residents of the United States, warranty information may also be obtained by calling the following toll free number: (800) 442-1902 www.americanstandard.com
CANADA
LIXIL Canada, Inc. 5900 Avebury Rd. Mississauga, Ontario Canada L5R 3M3 Toll Free: (800) 387-0369 www.americanstandard.ca
MEXICO
American Standard B&K Mexico S. de R.L. de C.V. Via Morelos #330
Col. Santa Clara Ecatepec 55540 Edo. Mexico Toll Free: 01-800-839-1200
www.americanstandard.com.mx
PLEASE COMPLETE AMERICAN STANDARD WARRANTY REGISTRATION PROCESS AND SAVE THIS WARRANTY NFORMATION IMPORTANT:
Registration of the shower doors must be completed for this warranty to become effective. Your registration will make it easier to contact you in the event of a
product recall.
INSTRUCTIONS: Register your shower doors at www.americanstandard.com. Please save your proof of purchase (sale receipt). If you need assistance or do not have access to our website, please contact American Standard Customer Care at: (800) 442-1902. An American Standard representative will assist in completing the warranty registration.
*In California, your warranty rights remain intact even if you do not complete the registration process.
CANADA
LIXIL Canada, Inc.
5900 Avebury Rd.
Mississauga, Ontario
Canada L5R 3M3
Toll Free: (800) 387-0369
www.americanstandard.ca
MEXICO
American Standard B&K Mexico
S. de R.L. de C.V.
Via Morelos #330
Col. Santa Clara
Ecatepec 55540 Edo. Mexico
Toll Free: 01-800-839-1200
www.americanstandard.com.mx
INSTRUCTIONS: Register your shower doors at www.americanstandard.com. Please save your proof of purchase (sale receipt). If you need assistance or do not
have access to our website, please contact American Standard Customer Care at: (800) 442-1902. An American Standard representative will assist in completing
the warranty registration.
- In California, your warranty rights remain intact even if you do not complete the registration process
THIS WARRANTY IS NOT TRANSFERABLE FROM ORIGINAL CONSUMER PURCHASER
TELL US WHAT YOU THINK!
Please leave us a product review or story at americanstandard.com/reviews
Great Tub
03/13/2018 06:52:29 CDT American Standard Bathtubs Saver 60 Inch by 34 Inch Integral Apron Bathtub. Left Hand Drain
Love the tub. It is very roomy and would definitely buy it again. Our old tub cracked so we got this one to replace it. This one feels like it is more durable and not as flimsy as the last one.

Register your warranty and sign up for an idea-filled newsletter at americanstandard.com/warranty.
Find installation videos at
youtube.com/americanstandard.
WANT MORE INFO?
For questions or help call us at 800-442-1902, or visit americanstandard.com
